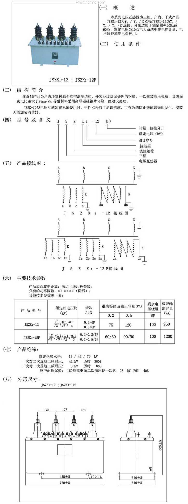
JSZWK-6.10、JSZK1-6.10(F)三相搞谐振型电压感器 产品详情 产品型号 双作用短行程气 ADVC-25-15-A-P-A 双作用短行程气ADVC-25-20-A-P-A 双作用短行程气ADVC-25-25-A-P-A 双作用短行程气ADVC-25-5-A-P 双作用短行程气ADVC-25-10-A-P 双作用短行程气ADVC-25-15-A-P 双作用短行程气 ADVC-25-20-A-P 双作用短行程气ADVC-25-25-A-P 单作用螺纹气缸 AEVC-32-5-I-P-A 单作用螺纹气缸 AEVC-32-10-I-P-A 单作用螺纹气缸 AEVC-32-25-I-P-A 单作用螺纹气缸 AEVC-32-5-I-P 单作用螺纹气缸 AEVC-32-10-I-P 单作用螺纹气缸 AEVC-32-25-I-P 前一页 JSZK1-6三相搞谐振型电压感器 后一页JSZK1-6三相搞谐振型电压感器 产品中心 更多产品 MORE+ 10KV户内三相电压互感器JSZW-10 XD1-12系列限流电抗器 MES(CE)-0.66系列塑壳互感器 JLS4-10三相四线(油浸)计量箱 测量型电流互感器SCTH FD2油浸式放电线圈 一匝穿芯式交流泄漏电流传感器 JSZK1-10三相搞谐振型电压感器 传感器安装块 SF-40 传感器安装块 SF-63 传感器支架 HWS-18/25-M8 传感器支架 HWS-40-M8 电话:021-51699285 传真:021-51698592 手机:13611905823 地址:上海市宝山区恒高路127弄6号楼2202室 首 页 关于我们 公司简介 品牌介绍 企业荣誉 产品中心 三相交流电动机带蜗轮蜗杆减速箱永磁直流电机交直流两用电机直流电机交流电机 新闻中心 公司新闻 行业动态 联系我们