021-51699285
首页
关于我们
公司简介
关于品牌
荣誉资质
产品中心
三相交流电动机带蜗轮蜗杆减速箱
永磁直流电机
交直流两用电机
直流电机
交流电机
新闻中心
公司新闻
行业动态
联系我们
产品展示
XD1-12系列限流电抗器
首页
/
产品中心
/
限流电抗器
塑壳互感器系列
0.5KV母线式电流互感器
0.5KV树脂浇注式互感器
LYM-0.5系列大电流母排式互感器
0.5干式电压互感器
零序互感器
限流电抗器
BLZ-1K系列直流互感器
HL23-1系列仪用互感器
智能控制器
电机软启动器
特殊(特种)电流互感器
霍尔电流传感器
钳型互感器
微型精密互感器
矿用真空馈电开关用互感器
10KV干式电流互感器
35KV干式电流互感器
10KV-35KV系列高压计量箱
6KV-35KV油浸式电压互感器
10KV-35KV油浸式电流互感器
10KV-35KV(户外)干式电压互感器
10KV-35KV(户内)干式电压互感器
放电线圈(油浸式放电线圈、干式户内放电线圈)
三相抗谐振电压互感器
产品标题:XD1-12系列限流电抗器
产品ID:
VIB20100105103323734
品 牌:
ANGESUN互感器
所在地:中国 上海
价 格:面议 (大量采购价格面议)
库存状态:
货期待查
更新日期:2025-10-29 1:54:24
咨询电话:(+86)021-51699285
咨询Q Q:
2695337323
产品简述
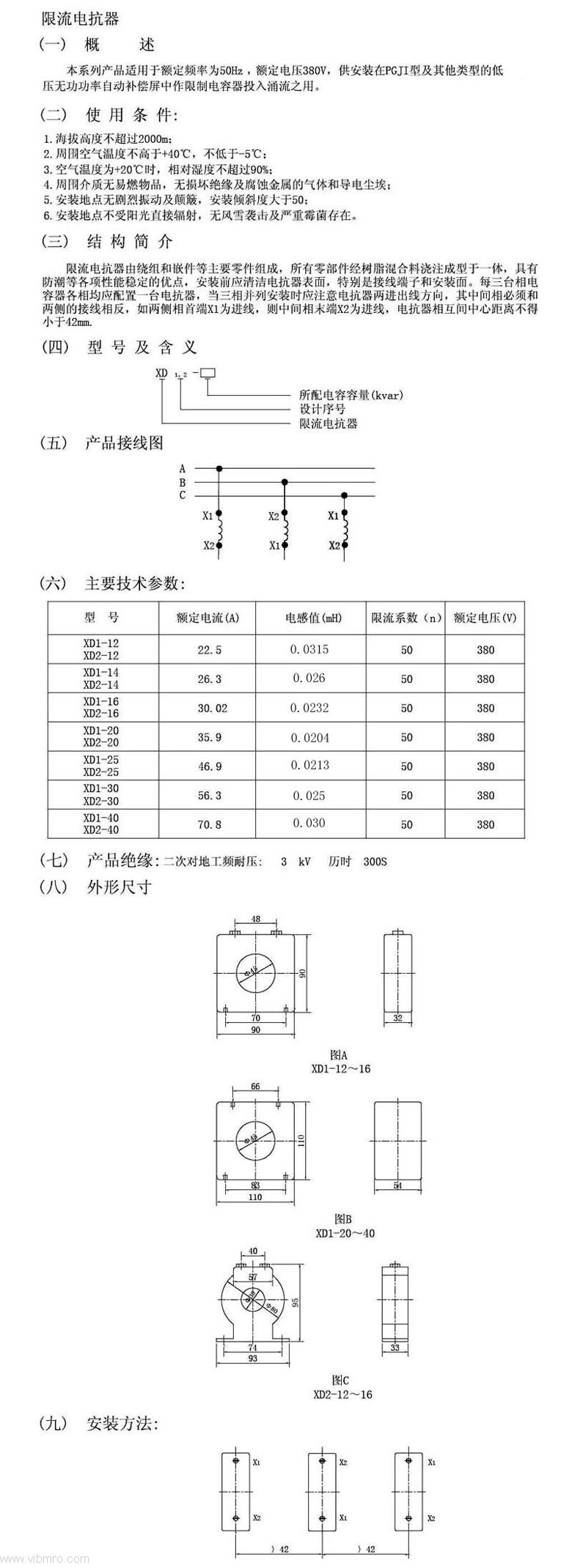
XD1-12.14.16.20.25.30系列限流电抗器
产品详情
产品型号
真空吸盘 ESS-200-SF
真空吸盘 ESS-15-EN
真空吸盘 ESS-15-EU
真空吸盘 ESS-15-ES
真空吸盘 ESS-15-EF
真空吸盘 ESS-20-EN
真空吸盘 ESS-20-EU
真空吸盘 ESS-20-ES
真空吸盘 ESS-20-EF
真空吸盘 ESS-30-EN
真空吸盘 ESS-30-EU
真空吸盘 ESS-30-ES
真空吸盘 ESS-30-EF
真空吸盘 ESS-40-EN
前一页
LCT(零序)电流互感器
后一页
LCT(零序)电流互感器
产品中心
更多产品
MORE+
10KV户内三相电压互感器JSZW-10
XD1-12系列限流电抗器
MES(CE)-0.66系列塑壳互感器
JLS4-10三相四线(油浸)计量箱
测量型电流互感器SCTH
FD2油浸式放电线圈
一匝穿芯式交流泄漏电流传感器
JSZK1-10三相搞谐振型电压感器
真空吸盘 ESS-50-EF
真空吸盘 ESS-60-EN
真空吸盘 ESS-60-EU
真空吸盘、 ESS-60-EF
电话:
021-51699285
传真:
021-51698592
手机:
13611905823
地址:上海市宝山区恒高路127弄6号楼2202室
首 页
关于我们
公司简介
品牌介绍
企业荣誉
产品中心
三相交流电动机带蜗轮蜗杆减速箱
永磁直流电机
交直流两用电机
直流电机
交流电机
新闻中心
公司新闻
行业动态
联系我们