产品展示
GQ-6060,KSS,含胶型防滑配线槽,KSS配线器材,台湾KSS,KSS官网,KSS代理
首页 / 产品中心 / 配线槽
产品标题:GQ-6060,KSS,含胶型防滑配线槽,KSS配线器材,台湾KSS,KSS官网,KSS代理
产品ID:VIB20150804121332734
品  牌:KSS凯士士
所在地:中国 上海
价  格:面议 (大量采购价格面议)
库存状态:货期待查
更新日期:2025-11-15 14:27:52
咨询电话:(+86)021-51699285
咨询Q Q: 2695337323
产品简述

KSS,KSS扎带,KSS线槽,kss端子,KSS配线标志,KSS尼龙扎线带,KSS电缆固定头,KSS固定头,PC板隔离柱,KSS接线头,KSS尼龙浪管,KSS管接头,PC板部品,KSS波纹管,KSS金属浪管,KSS尼龙波纹管,KSS扎带固定座,接线端子,KSS接头及套管,KSS闭端端子,KSS配线器材,KSS尼龙铆钉,台湾凯士士KSS

 

产品详情

0101 KSS 含胶型防滑配线槽




材质:采用UL合格之南亚PVC(灰色)制成,通过美规94V-0防火等级,欧规M1防火等级,耐燃性佳,绝缘性良好,不自燃,耐温至85℃。胶层为PE共聚合物 (PE   copolymer)。
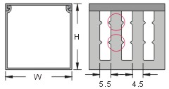
构造:由槽底及槽盖两部份组成,底槽两侧设出线孔,出线孔4.5mm,以组合后外部之宽、高为规格标准,每侧设有一条刀割式折痕。UL测试温度50℃。
特点:1.两侧出线孔之凸点设计,可在同一出线孔做分层区隔使用。
2.槽底两侧均有一条刀割式折痕线设计,可依安装者需求,折出需要的侧孔大小。
3.于配线槽上盖挂勾之内面设有「特殊止滑胶层」,能有效增加涩度及黏度,使线槽与上盖密合,防止上盖滑动、脱落,更利垂直上下布线作业,提升施工效率。


       高度 60mm

       高度   80mm

       高度 60mm

       高度   80mm
单位:mm
 型 号
           Item No.
宽x高
           WxH
电线容量
           Wire To Be Contained
           (以2.0平方计算)
长 度
           Length
出线孔
4.5mm
GQ-306030x6030~50pcs 2M
GQ-406040x60100~115pcs 
GQ-606060x60110~120pcs 
GQ-806080x60180~210pcs 
GQ-10060100x60240~290pcs 
GQ-12060120x60240~290pcs 
GQ-308030x80110~115pcs 
GQ-408040x80120~135pcs 
GQ-608060x80180~210pcs 
GQ-808080x80240~290pcs 
GQ-10080100x80260~350pcs 
GQ-12080120x80300~400pcs

 0606_kss_nylon_cable_gland.jpg