021-51699285
首页
关于我们
公司简介
关于品牌
荣誉资质
产品中心
三相交流电动机带蜗轮蜗杆减速箱
永磁直流电机
交直流两用电机
直流电机
交流电机
新闻中心
公司新闻
行业动态
联系我们
产品展示
LZZBJ4-35电流互感器(全封闭)
首页
/
产品中心
/
40.5kV电流40.5kV电流、电压互感器电压互感器
40.5kV电流40.5kV电流、电压互感器电压互感器
3~12kV电压互感器
12kV穿墙式电流互感器
12kV支柱式电流互感器
放电线圈及供机构操作电源用电压互感器
零序电流互感器
产品标题:LZZBJ4-35电流互感器(全封闭)
产品ID:
VIB20100127095851734
品 牌:
大互电气
所在地:中国 上海
价 格:面议 (大量采购价格面议)
库存状态:
货期待查
更新日期:2025-4-25 17:07:40
咨询电话:(+86)021-51699285
咨询Q Q:
2695337323
产品简述
LZZBJ4-35电流互感器
产品详情
LZZBJ4-35产品图片(半封闭)
LZZBJ4-35产品图片(全封闭)
LZZBJ4-35技术参数(单变比)
LZZBJ4-35技术参数(两变比)
LZZBJ4-35技术参数(三变比)
LZZBJ4-35安装尺寸(半封闭)
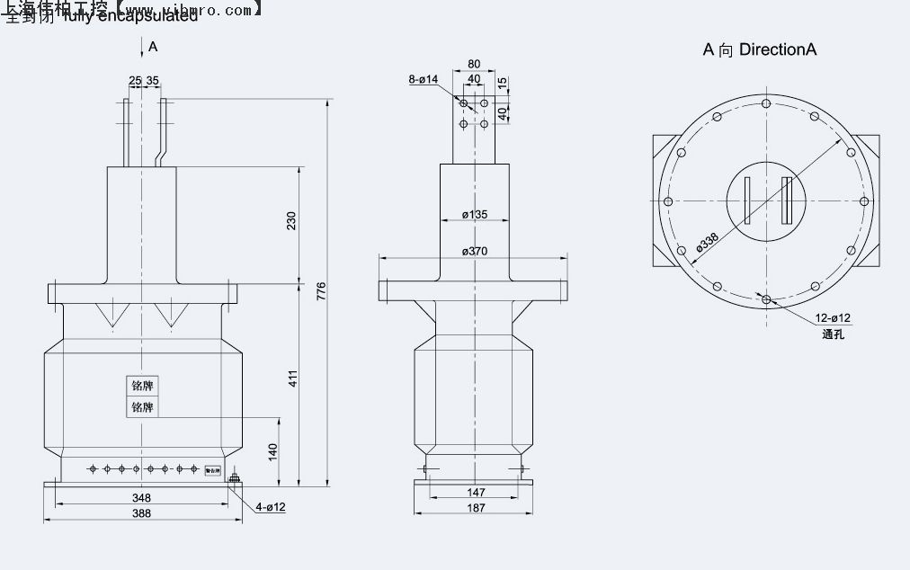
LZZBJ4-35安装尺寸(全封闭)
产品型号
MASTER UNIT D:FU-MU -CH
MASTER UNIT D:FU-MU -USA
MASTER UNIT D:FU-MU -AUS
MASTER UNIT D:FU-MU -ZA
课程 01 D:FU-KURS01 -DE
课程 01 D:FU-KURS01 -GB
课程 01 D:FU-KURS01 -F
课程 01 D:FU-KURS01 -E
双作用气缸 DSEU-25-50-P-A-MQ
双作用气缸 DSEU-25-80-P-A-MQ
双作用气缸 DSEU-25-100-P-A-MQ
双作用气缸 DSEU-25-125-P-A-MQ
双作用气缸 DSEU-25-160-P-A-MQ
双作用气缸 DSEU-25-200-P-A-MQ
前一页
LZZBJ4-35电流互感器(半封闭)
后一页
LZZBJ4-35电流互感器(半封闭)
产品中心
更多产品
MORE+
LCZ-35电流互感器
LFS-10Q,600/5,0.5,电压互感器
JDZ9-6Q电流互感器
JDZX18-6R1电流互感器
LZZBJ18-10/185h/2电流互感器
LFSQ-10Q电流互感器
JDZ-6Q,电压互感器
FDGE8型半封闭干式放电线圈
双作用气缸 DSEU-16-80-P-A-MQ
双作用气缸 DSEU-16-100-P-A-MQ
双作用气缸 DSEU-16-125-P-A-MQ
双作用气缸 DSEU-16-160-P-A-MQ
电话:
021-51699285
传真:
021-51698592
手机:
13611905823
地址:上海市宝山区恒高路127弄6号楼2202室
首 页
关于我们
公司简介
品牌介绍
企业荣誉
产品中心
三相交流电动机带蜗轮蜗杆减速箱
永磁直流电机
交直流两用电机
直流电机
交流电机
新闻中心
公司新闻
行业动态
联系我们