021-51699285
首页
关于我们
公司简介
关于品牌
荣誉资质
产品中心
三相交流电动机带蜗轮蜗杆减速箱
永磁直流电机
交直流两用电机
直流电机
交流电机
新闻中心
公司新闻
行业动态
联系我们
产品展示
保护型电流互感器CTDD
首页
/
产品中心
/
微型精密互感器
塑壳互感器系列
0.5KV母线式电流互感器
0.5KV树脂浇注式互感器
LYM-0.5系列大电流母排式互感器
0.5干式电压互感器
零序互感器
限流电抗器
BLZ-1K系列直流互感器
HL23-1系列仪用互感器
智能控制器
电机软启动器
特殊(特种)电流互感器
霍尔电流传感器
钳型互感器
微型精密互感器
矿用真空馈电开关用互感器
10KV干式电流互感器
35KV干式电流互感器
10KV-35KV系列高压计量箱
6KV-35KV油浸式电压互感器
10KV-35KV油浸式电流互感器
10KV-35KV(户外)干式电压互感器
10KV-35KV(户内)干式电压互感器
放电线圈(油浸式放电线圈、干式户内放电线圈)
三相抗谐振电压互感器
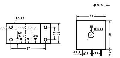
产品标题:保护型电流互感器CTDD
产品ID:
VIB20100105124428734
品 牌:
ANGESUN互感器
所在地:中国 上海
价 格:面议 (大量采购价格面议)
库存状态:
货期待查
更新日期:2025-10-31 11:31:30
咨询电话:(+86)021-51699285
咨询Q Q:
2695337323
产品简述
保护型电流互感器CTDD
产品详情
保护型电流互感器CTDD
产品型号
本地控制器 DLP-VSE-3-5/3-G-DP
电磁阀套件 CPV10-M1H-2X3GLS-5/3G-M7
电磁阀套件 CPV10-M1H-2X3GLS-5/3G-M7
电磁阀套件 CPV14-M1H-2XGLS-5/3G-1/8
电磁阀套件 CPV14-M1H-2XGLS-5/3G-1/8
气动接口组件 CPV10-EP-U-QS
气动接口组件 CPV10-EP-S-U-QS
气动接口组件 CPV10-EP-B-U-QS
气动接口组件 CPV10-EP-S-B-U-QS
气动接口组件 CPV10-EP-B-U-QS
气动接口组件 CPV10-EP-S-U-QS
气动接口组件 CPV10-EP-B-U-QS
气动接口组件 CPV10-EP-S-U-QS
气动接口组件 CPV14-EP-U-QS
前一页
屏蔽保护型电流互感器CTDC
后一页
屏蔽保护型电流互感器CTDC
产品中心
更多产品
MORE+
LZX-10(Q)高压电流互感器
LZZW-35Q干式、户外电流互感器
JLSZ3-10三相四线组合互感器(干式)计量器
JDZX11-6(干式)户内全封闭电压互感器
LDJ-10Q/210-L高压电流互感器
LJWD-35(油浸)电流互感器
SCTA测量型电流互感器
CTL201零磁通微型电流互感器
基本单元 CPV14-GE-IL-4
S系列基本组件 CPV14-GE-IL-4
左端板 CPV10-EPL-PEU
右端板 CPV10-EPR-PEU
电话:
021-51699285
传真:
021-51698592
手机:
13611905823
地址:上海市宝山区恒高路127弄6号楼2202室
首 页
关于我们
公司简介
品牌介绍
企业荣誉
产品中心
三相交流电动机带蜗轮蜗杆减速箱
永磁直流电机
交直流两用电机
直流电机
交流电机
新闻中心
公司新闻
行业动态
联系我们