021-51699285
首页
关于我们
公司简介
关于品牌
荣誉资质
产品中心
三相交流电动机带蜗轮蜗杆减速箱
永磁直流电机
交直流两用电机
直流电机
交流电机
新闻中心
公司新闻
行业动态
联系我们
产品展示
屏蔽保护型电流互感器CTDB
首页
/
产品中心
/
微型精密互感器
塑壳互感器系列
0.5KV母线式电流互感器
0.5KV树脂浇注式互感器
LYM-0.5系列大电流母排式互感器
0.5干式电压互感器
零序互感器
限流电抗器
BLZ-1K系列直流互感器
HL23-1系列仪用互感器
智能控制器
电机软启动器
特殊(特种)电流互感器
霍尔电流传感器
钳型互感器
微型精密互感器
矿用真空馈电开关用互感器
10KV干式电流互感器
35KV干式电流互感器
10KV-35KV系列高压计量箱
6KV-35KV油浸式电压互感器
10KV-35KV油浸式电流互感器
10KV-35KV(户外)干式电压互感器
10KV-35KV(户内)干式电压互感器
放电线圈(油浸式放电线圈、干式户内放电线圈)
三相抗谐振电压互感器
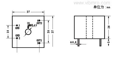
产品标题:屏蔽保护型电流互感器CTDB
产品ID:
VIB20100105123346734
品 牌:
ANGESUN互感器
所在地:中国 上海
价 格:面议 (大量采购价格面议)
库存状态:
货期待查
更新日期:2025-10-31 17:20:57
咨询电话:(+86)021-51699285
咨询Q Q:
2695337323
产品简述
屏蔽保护型电流互感器CTDB
产品详情
屏蔽保护型电流互感器CTDB
产品型号
双作用短行程气ADVC-100-10-A-P
双作用短行程气ADVC-100-15-A-P
双作用短行程气ADVC-100-20-A-P
双作用短行程气ADVC-100-25-A-P
双作用多位气缸 D - 70- 50-40-PV1-B-SA
双作用多位气缸 D - 70- 100-40-PV1-B-SA
双作用多位气缸 D - 70- -40-PV1-B-SA
双作用多位气缸 D - 90- 100-40-PV1-B-SA
增压器 DPA-100-16
电磁阀 MGTBH-5/2K-FR-110AC-NA
电磁阀 MGTBH-5/2K-FR-230AC-NA
电磁阀 MGXDH-5/2K-FR-110AC-NA
电磁阀 MGXDH-5/2K-FR-230AC-NA
小型滑块驱动器 SLT-16-125-P-A
前一页
保护型电流互感器CTDA
后一页
保护型电流互感器CTDA
产品中心
更多产品
MORE+
LM-0.5系列母线式电流互感器
LJM-1母排式(零序)电流互感器
JSJW-6(油浸)电压互感器
LJZ-Φ65浇注式(零序)电流互感器
JDZ-10Q(干式)全工况电压互感器
AM(DM)系列塑壳互感器
LQG-0.66系列塑壳互感器
LZZBJ71-12(干式)户外、全封闭电流互感器
电磁阀 MEH-5/2-4,0-I-B
双电控电磁阀 JMEH-5/2-4,0-I-B
电磁阀 MN2H-5/2-02-FR-12DCA
电磁阀 MN2H-5/2-02-FR-S-12DCA
电话:
021-51699285
传真:
021-51698592
手机:
13611905823
地址:上海市宝山区恒高路127弄6号楼2202室
首 页
关于我们
公司简介
品牌介绍
企业荣誉
产品中心
三相交流电动机带蜗轮蜗杆减速箱
永磁直流电机
交直流两用电机
直流电机
交流电机
新闻中心
公司新闻
行业动态
联系我们